Menu

Menu
manuais de motocicletas
1
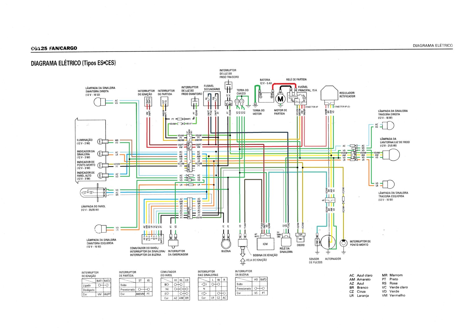
5-DIAGRAMA-ELETRICO-FAN-125.jpg
5 DIAGRAMA ELETRICO FAN 125.jpg
image/jpeg
HDA-CG-125-FAN.zip
HDA CG 125 FAN.zip
application/zip
2a0574e15c
2.7 MB27/04/2024
70.51 MB27/04/2024
2
Links Rápidos
Entre em contato
Todos os Direitos Reservados a @divergente’s RJ MotoGrupo
Copyright © 2021. All rights reserved.